
日本工業刃物株式会社(NIPPA)
日刃標準規格刃物
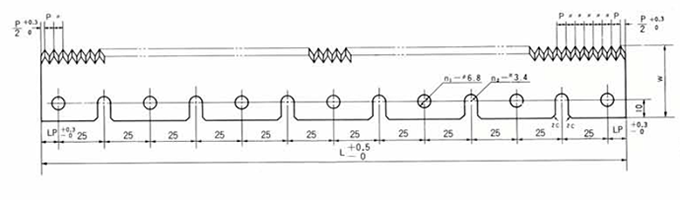
鋸刃式ナイフ
- 鋸刃式ナイフはシート状の紙、またはフィルムなどを裁断するよう規格化された物です。
| 鋸刃式ナイフ(材質:SKH51 / 焼入硬度:HRC63) | ||||||
![]() |
||||||
| 標準規格寸法表 | ||||||
| 記号 | L | W | P | n1 | n2 | LP |
NP-SH-222W-H |
220 | 80 | 5 | 5 | 4 | 10 |
NP-SH-322W-H |
320 | 80 | 5 | 7 | 6 | 10 |
NP-SH-422W-H |
420 | 80 | 5 | 9 | 8 | 10 |
NP-SH-221-H |
220 | 40 | 2.5 | 5 | 4 | 10 |
NP-SH-222-H |
220 | 40 | 5 | 5 | 4 | 10 |
NP-SH-223-H |
225 | 40 | 7.5 | 5 | 4 | 12.5 |
NP-SH-224-H |
220 | 40 | 10 | 5 | 4 | 10 |
NP-SH-321-H |
320 | 40 | 2.5 | 7 | 6 | 10 |
NP-SH-322-H |
320 | 40 | 5 | 7 | 6 | 10 |
NP-SH-323-H |
330 | 40 | 7.5 | 7 | 6 | 15 |
NP-SH-324-H |
320 | 40 | 10 | 7 | 6 | 10 |
NP-SH-421-H |
420 | 40 | 2.5 | 9 | 8 | 10 |
NP-SH-422-H |
420 | 40 | 5 | 9 | 8 | 10 |
NP-SH-423-H |
420 | 40 | 7.5 | 9 | 8 | 10 |
NP-SH-424-H |
420 | 40 | 10 | 9 | 8 | 10 |
P:刃先山ピッチ / n1:止穴数 / n2:止溝穴数 / LP:止穴と端面との寸法 / L:全長
※ 仕様及び外観は改善のため予告なく変更することがあります





5.54MB